Токарная пластина с напайными вставками из кубического нитрида бора. Форма пластины S - квадрат. Задний угол N – 0°. Класс точности пластины – G. Тип пластины ...
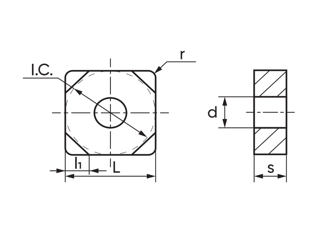
Токарная пластина с напайными вставками из кубического нитрида бора. Форма пластины S - квадрат. Задний угол N – 0°. Класс точности пластины – G. Тип пластины A - c отверстием, без стружколома. Диаметр вписанной окружности - 9,525 мм±0,025мм. Толщина пластины - 3,18 мм±0,13мм. Радиус при вершине - 1,2 мм. Режущая кромка S - фаска со скруглением. Размер фаски - 0,1мм. Угол фаски – 20°. Стиль исполнения - напайные кромки. Количество режущих кромок B - 2шт. Эффективная длина режущих кромок – 2,8мм. Длина режущей кромки - 9,525мм. Диаметр фиксирующего отверстия - 3,81 мм.Содержание КНБ - 80...82%. Размер зерна - 300нм. Микротвердость - 32-36Гпа. Область применения: сорт применяется для обработки группы материалов P(сталь) K(чугун) H(стали и сплавы высокой твёрдости). Сорт - MBR7010М - Применяется для высокоскоростной обработки чугунов. Универсальный сорт может применяться для получистовой и черновой обработки твёрдых материалов, закаленных сталей. Подходит как для прерывистой обработки при тяжелых условиях с большой глубиной резания, так и для непрерывного получистового точения.. Режимы резания: скорость резания - Vc=30-1700 м/мин; подача - f=0,10-0,50 мм/об; глубина резания - ap=0,10-0,70 мм. Внимание!!! Данные режимы носят рекомендательный характер. Величина режимов зависит от многих факторов – жесткости закрепления заготовки, ее вылета, состояния и материала, радиуса и размера пластины, жёсткости и мощности станка и т.д. Ориентируясь на рекомендуемые данные, исходя из ваших условий, опытным путем подбирайте оптимальные для производительности и стойкости инструмента режимы обработки. |
Технические характеристики
| Форма пластины | S - квадрат |
| Диаметр вписанной окружности | 9,525 мм |
| Задний (боковой) угол пластины | N - без заднего угла |
| Длина режущей кромки | 9,525мм |
| Допуски | d: ±0,025 s: ±0,13 |
| Диаметр фиксирующего отверстия | 3,81 мм |
| Базовая единица | шт |
| Тип | A - c отверстием, без стружколома |
| Характеристика сорта | Содержание КНБ - 80...82%. Размер зерна - 300нм. Микротвердость - 32-36Гпа |
| Толщина | 3,18 мм |
| Режимы резания | скорость резания - Vc=30-1700 м/мин; подача - f=0,10-0,50 мм/об; глубина резания - ap=0,10-0,70 мм |
| Радиус при вершине | 1,2 мм |
| Обозначение режущей кромки | S - фаска со скруглением |
| Тип стружколома | G |
| Размер фаски | 0,1мм |
| H(стали и сплавы высокой твёрдости) | Да |
| Угол фаски | 20° |
| K(чугун) | Да |
| Направление резания | N - нейтральное |
| Стиль исполнения | Напайные кромки |
| Количество режущих кромок | B - 2шт |
| Длина напайного угла | 2,8мм |
| P(сталь) | Да |
| Материал | КНБ |
| Размер пластины | 09 |
| Вид обработки | Получистовая обработка |
| Сорт (Серия) | MBR7010М - Применяется для высокоскоростной обработки чугунов. |
| Твердость обрабатываемого материала | HRC 45-68 |
| Кратность наполнения коробки | 10 |
| Геометрия | SNGA |
| Подкатегория | Пластины из КНБ |
| Категория | Токарные пластины |
| Класс точности | G |
| Группа обрабатываемых материалов | H(стали и сплавы высокой твёрдости), K(чугун), P(сталь) |
Для покупки товара в нашем интернет-магазине выберите понравившийся товар и добавьте его в корзину. Далее перейдите в Корзину и нажмите на «Оформить заказ» или «Быстрый заказ».
Когда оформляете быстрый заказ, напишите ФИО, телефон и e-mail. Вам перезвонит менеджер и уточнит условия заказа. По результатам разговора вам придет подтверждение оформления товара на почту или через СМС. Теперь останется только ждать доставки и радоваться новой покупке.
Оформление заказа в стандартном режиме выглядит следующим образом. Заполняете полностью форму по последовательным этапам: адрес, способ доставки, оплаты, данные о себе. Советуем в комментарии к заказу написать информацию, которая поможет курьеру вас найти. Нажмите кнопку «Оформить заказ».
Оплачивайте покупки удобным способом. В интернет-магазине доступно 3 варианта оплаты:
- Наличные при самовывозе или доставке курьером. Специалист свяжется с вами в день доставки, чтобы уточнить время и заранее подготовить сдачу с любой купюры. Вы подписываете товаросопроводительные документы, вносите денежные средства, получаете товар и чек.
- Безналичный расчет при самовывозе или оформлении в интернет-магазине: карты Visa и MasterCard. Чтобы оплатить покупку, система перенаправит вас на сервер системы ASSIST. Здесь нужно ввести номер карты, срок действия и имя держателя.
- Электронные системы при онлайн-заказе: PayPal, WebMoney и Яндекс.Деньги. Для совершения покупки система перенаправит вас на страницу платежного сервиса. Здесь необходимо заполнить форму по инструкции.
Экономьте время на получении заказа. В интернет-магазине доступно 4 варианта доставки:
- Курьерская доставка работает с 9.00 до 19.00. Когда товар поступит на склад, курьерская служба свяжется для уточнения деталей. Специалист предложит выбрать удобное время доставки и уточнит адрес. Осмотрите упаковку на целостность и соответствие указанной комплектации.
- Самовывоз из магазина. Список торговых точек для выбора появится в корзине. Когда заказ поступит на склад, вам придет уведомление. Для получения заказа обратитесь к сотруднику в кассовой зоне и назовите номер.
- Постамат. Когда заказ поступит на точку, на ваш телефон или e-mail придет уникальный код. Заказ нужно оплатить в терминале постамата. Срок хранения — 3 дня.
- Почтовая доставка через почту России. Когда заказ придет в отделение, на ваш адрес придет извещение о посылке. Перед оплатой вы можете оценить состояние коробки: вес, целостность. Вскрывать коробку самостоятельно вы можете только после оплаты заказа. Один заказ может содержать не больше 10 позиций и его стоимость не должна превышать 100 000 р.
