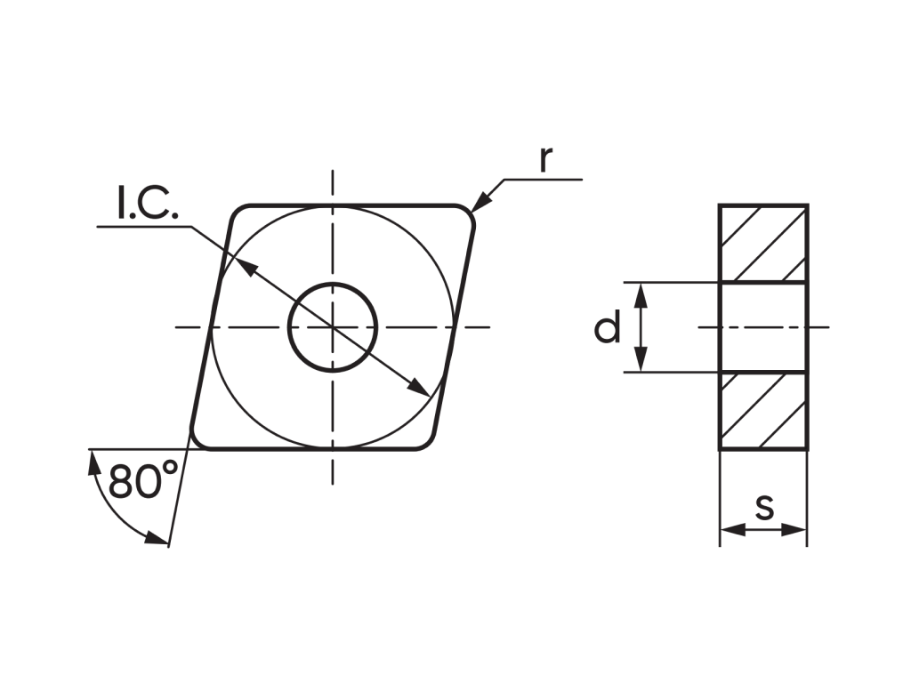
Токарная пластина твердосплавная. Форма пластины ромбическая C - угол 80°. Задний угол N – 0°. Класс точности пластины – M. Тип пластины G - c отверстием, с ...
Токарная пластина твердосплавная. Форма пластины ромбическая C - угол 80°. Задний угол N – 0°. Класс точности пластины – M. Тип пластины G - c отверстием, с двухсторонним стружколомом. Диаметр вписанной окружности - 12,70 мм±0,05~0,13мм. Толщина пластины - 4,76 мм±0,13мм. Радиус при вершине - 0,8 мм. Длина режущей кромки - 12,9мм.Область применения: сорт применяется для обработки группы материалов M(нержавеющая сталь) S(жаропрочные сплавы). Сорт - MM253 - Cорт предназначен для обработки нержавеющей стали. Возможна обработка жаропрочных сплавов. Покрытие PVD придает инструменту превосходную адгезионную стойкость, прочность, износостойкость и ударную вязкость, а также отличную сопротивляемость к налипанию обрабатываемого материала. Группа обрабатываемых материалов по ISO: P, M, K, S. Cтружколом LH - Стружколом предназначен для получистовой и получерновой обработки Режимы резания: скорость резания - Vc=30-300 м/мин; подача - f=0.08-0.4мм/об; глубина резания - ap=0.8-3.5 мм. Внимание!!! Данные режимы носят рекомендательный характер. Величина режимов зависит от многих факторов – жесткости закрепления заготовки, ее вылета, состояния и материала, радиуса и размера пластины, жёсткости и мощности станка и т.д. Ориентируясь на рекомендуемые данные, исходя из ваших условий, опытным путем подбирайте оптимальные для производительности и стойкости инструмента режимы обработки. Ознакомиться с правилами эксплуатации |
Технические характеристики
| Форма пластины | ромбическая C - угол 80° |
| Диаметр вписанной окружности | 12,70 мм |
| Задний (боковой) угол пластины | N - без заднего угла |
| Длина режущей кромки | 12,9мм |
| Допуски | d: ±0,05~0.13 s: ±0,13 |
| Базовая единица | шт |
| Тип | G - c отверстием, с двухсторонним стружколомом |
| Толщина | 4,76 мм |
| Режимы резания | скорость резания - Vc=30-300 м/мин; подача - f=0,15-0,3мм/об; глубина резания - ap=1,0-4,0мм. |
| Радиус при вершине | 0,8 мм |
| M(нержавеющая сталь) | Да |
| Материал | Твёрдый сплав |
| S(жаропрочные сплавы) | Да |
| Размер пластины | 12 |
| Сорт (Серия) | MM253 - Cплав предназначен для обработки нержавеющей стали |
| Кратность наполнения коробки | 10 |
| Стружколом | LH - Стружколом предназначен для получистовой и получерновой обработки |
| Геометрия | CNMG |
| Подкатегория | Пластины из твердого сплава |
| Категория | Токарные пластины |
| Класс точности | M |
| Группа обрабатываемых материалов | M(нержавеющая сталь), S(жаропрочные сплавы) |
Для покупки товара в нашем интернет-магазине выберите понравившийся товар и добавьте его в корзину. Далее перейдите в Корзину и нажмите на «Оформить заказ» или «Быстрый заказ».
Когда оформляете быстрый заказ, напишите ФИО, телефон и e-mail. Вам перезвонит менеджер и уточнит условия заказа. По результатам разговора вам придет подтверждение оформления товара на почту или через СМС. Теперь останется только ждать доставки и радоваться новой покупке.
Оформление заказа в стандартном режиме выглядит следующим образом. Заполняете полностью форму по последовательным этапам: адрес, способ доставки, оплаты, данные о себе. Советуем в комментарии к заказу написать информацию, которая поможет курьеру вас найти. Нажмите кнопку «Оформить заказ».
Оплачивайте покупки удобным способом. В интернет-магазине доступно 3 варианта оплаты:
- Наличные при самовывозе или доставке курьером. Специалист свяжется с вами в день доставки, чтобы уточнить время и заранее подготовить сдачу с любой купюры. Вы подписываете товаросопроводительные документы, вносите денежные средства, получаете товар и чек.
- Безналичный расчет при самовывозе или оформлении в интернет-магазине: карты Visa и MasterCard. Чтобы оплатить покупку, система перенаправит вас на сервер системы ASSIST. Здесь нужно ввести номер карты, срок действия и имя держателя.
- Электронные системы при онлайн-заказе: PayPal, WebMoney и Яндекс.Деньги. Для совершения покупки система перенаправит вас на страницу платежного сервиса. Здесь необходимо заполнить форму по инструкции.
Экономьте время на получении заказа. В интернет-магазине доступно 4 варианта доставки:
- Курьерская доставка работает с 9.00 до 19.00. Когда товар поступит на склад, курьерская служба свяжется для уточнения деталей. Специалист предложит выбрать удобное время доставки и уточнит адрес. Осмотрите упаковку на целостность и соответствие указанной комплектации.
- Самовывоз из магазина. Список торговых точек для выбора появится в корзине. Когда заказ поступит на склад, вам придет уведомление. Для получения заказа обратитесь к сотруднику в кассовой зоне и назовите номер.
- Постамат. Когда заказ поступит на точку, на ваш телефон или e-mail придет уникальный код. Заказ нужно оплатить в терминале постамата. Срок хранения — 3 дня.
- Почтовая доставка через почту России. Когда заказ придет в отделение, на ваш адрес придет извещение о посылке. Перед оплатой вы можете оценить состояние коробки: вес, целостность. Вскрывать коробку самостоятельно вы можете только после оплаты заказа. Один заказ может содержать не больше 10 позиций и его стоимость не должна превышать 100 000 р.
