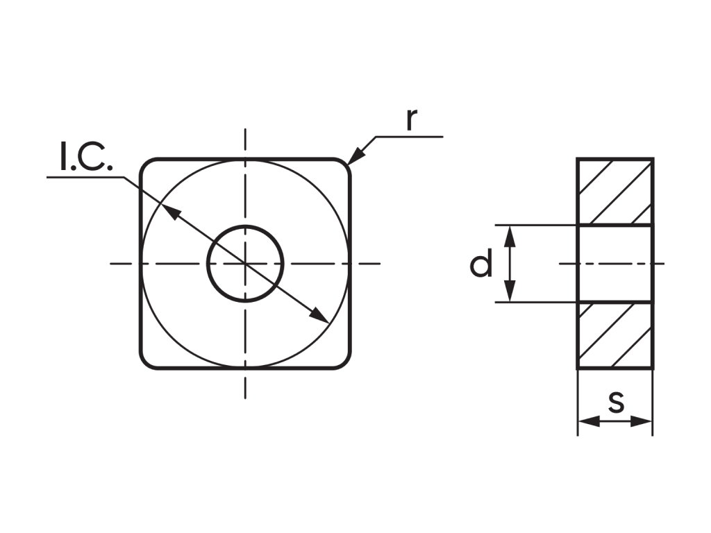
Токарная пластина твердосплавная. Форма пластины S - квадрат. Задний угол N – 0°. Класс точности пластины – M. Тип пластины M - c отверстием, с стружколомом. ...
Токарная пластина твердосплавная. Форма пластины S - квадрат. Задний угол N – 0°. Класс точности пластины – M. Тип пластины M - c отверстием, с стружколомом. Диаметр вписанной окружности - 25,4 мм±0,05~0,13мм. Толщина пластины - 7,94 мм±0,13мм. Радиус при вершине - 2,4 мм.Область применения: сорт применяется для обработки группы материалов P(сталь) M(нержавеющая сталь) K(чугун). Сорт - MK6020 - Универсальный сплав предназначенный для обработки углеродистых, легированных сталей и их сплавов, обработки чугуна, а также для обработки нержавеющей стали. Покрытие CVD придает инструменту повышенную твердость, отличную стойкость к высоким температурам, механическому износу и окислению. Высокая адгезионная прочность сплава МК6020 обеспечивает надежность инструмента, долгий срок службы пластин в различных условиях резания. Группа обрабатываемых материалов по ISO: P10-P30, M10-M30, K10-K30.. Cтружколом MGR - Стружколом предназначен для черновой обработки. Режимы резания: скорость резания - Vc=75-200 м/мин; подача - f=0.3-1.1мм/об; глубина резания - ap=3.5-15.5 мм.. Внимание!!! Данные режимы носят рекомендательный характер. Величина режимов зависит от многих факторов – жесткости закрепления заготовки, ее вылета, состояния и материала, радиуса и размера пластины, жёсткости и мощности станка и т.д. Ориентируясь на рекомендуемые данные, исходя из ваших условий, опытным путем подбирайте оптимальные для производительности и стойкости инструмента режимы обработки. Ознакомиться с правилами эксплуатации |
Технические характеристики
| Форма пластины | S - квадрат |
| Диаметр вписанной окружности | 25,4 мм |
| Задний (боковой) угол пластины | N - без заднего угла |
| Допуски | d: ±0,05~0.13 s: ±0,13 |
| Базовая единица | шт |
| Тип | M - c отверстием, с стружколомом |
| Толщина | 7,94 мм |
| Режимы резания | скорость резания - Vc=75-200 м/мин; подача - f=0,3-1,1мм/об; глубина резания - ap=4,0-15,0мм. |
| Радиус при вершине | 2,4 мм |
| K(чугун) | Да |
| M(нержавеющая сталь) | Да |
| P(сталь) | Да |
| Материал | Твёрдый сплав |
| Размер пластины | 25 |
| Вид обработки | Черновая обработка |
| Сорт (Серия) | MK6020 - Универсальный сплав |
| Кратность наполнения коробки | 5 |
| Стружколом | MGR - Стружколом предназначен для черновой обработки. |
| Геометрия | SNMM |
| Подкатегория | Пластины из твердого сплава |
| Категория | Токарные пластины |
| Класс точности | M |
| Группа обрабатываемых материалов | K(чугун), M(нержавеющая сталь), P(сталь) |
Для покупки товара в нашем интернет-магазине выберите понравившийся товар и добавьте его в корзину. Далее перейдите в Корзину и нажмите на «Оформить заказ» или «Быстрый заказ».
Когда оформляете быстрый заказ, напишите ФИО, телефон и e-mail. Вам перезвонит менеджер и уточнит условия заказа. По результатам разговора вам придет подтверждение оформления товара на почту или через СМС. Теперь останется только ждать доставки и радоваться новой покупке.
Оформление заказа в стандартном режиме выглядит следующим образом. Заполняете полностью форму по последовательным этапам: адрес, способ доставки, оплаты, данные о себе. Советуем в комментарии к заказу написать информацию, которая поможет курьеру вас найти. Нажмите кнопку «Оформить заказ».
Оплачивайте покупки удобным способом. В интернет-магазине доступно 3 варианта оплаты:
- Наличные при самовывозе или доставке курьером. Специалист свяжется с вами в день доставки, чтобы уточнить время и заранее подготовить сдачу с любой купюры. Вы подписываете товаросопроводительные документы, вносите денежные средства, получаете товар и чек.
- Безналичный расчет при самовывозе или оформлении в интернет-магазине: карты Visa и MasterCard. Чтобы оплатить покупку, система перенаправит вас на сервер системы ASSIST. Здесь нужно ввести номер карты, срок действия и имя держателя.
- Электронные системы при онлайн-заказе: PayPal, WebMoney и Яндекс.Деньги. Для совершения покупки система перенаправит вас на страницу платежного сервиса. Здесь необходимо заполнить форму по инструкции.
Экономьте время на получении заказа. В интернет-магазине доступно 4 варианта доставки:
- Курьерская доставка работает с 9.00 до 19.00. Когда товар поступит на склад, курьерская служба свяжется для уточнения деталей. Специалист предложит выбрать удобное время доставки и уточнит адрес. Осмотрите упаковку на целостность и соответствие указанной комплектации.
- Самовывоз из магазина. Список торговых точек для выбора появится в корзине. Когда заказ поступит на склад, вам придет уведомление. Для получения заказа обратитесь к сотруднику в кассовой зоне и назовите номер.
- Постамат. Когда заказ поступит на точку, на ваш телефон или e-mail придет уникальный код. Заказ нужно оплатить в терминале постамата. Срок хранения — 3 дня.
- Почтовая доставка через почту России. Когда заказ придет в отделение, на ваш адрес придет извещение о посылке. Перед оплатой вы можете оценить состояние коробки: вес, целостность. Вскрывать коробку самостоятельно вы можете только после оплаты заказа. Один заказ может содержать не больше 10 позиций и его стоимость не должна превышать 100 000 р.
