Фрезерная твердосплавная пластина с покрытием РVD. Форма пластины S - квадрат. Задний угол E - 20°. Класс точности пластины - K. Тип пластины T - c отверстием, ...
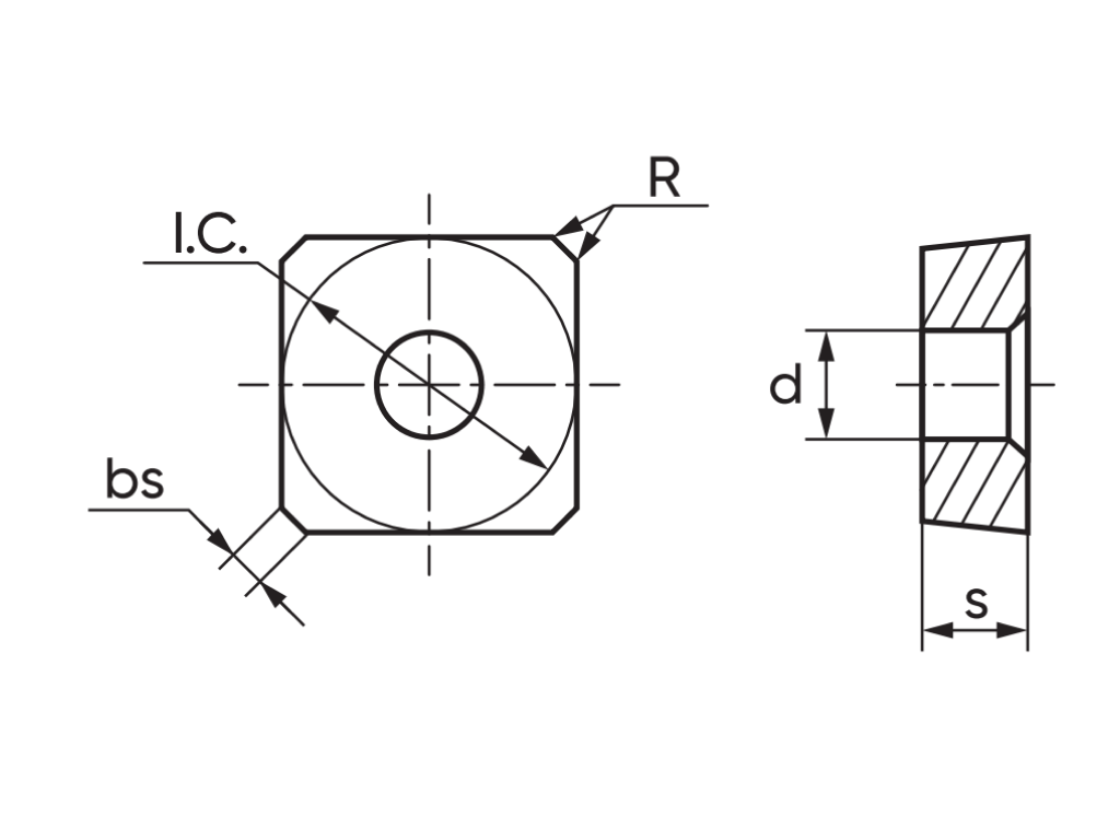
Фрезерная твердосплавная пластина с покрытием РVD. Форма пластины S - квадрат. Задний угол E - 20°. Класс точности пластины - K. Тип пластины T - c отверстием, с односторонней фаской и стружколомом. Размер пластины - 12. Диаметр вписанной окружности - 12,70 мм±0,05~0,15мм. Толщина пластины - 3,97 мм±0,13мм. Главный угол в плане - K - 75°. Задний угол зачистной фаски - G - 30°. Режущая кромка S - фаска со скруглением. Направление резания - N - нейтральное. Тип стружколома - XM. Длина пластины - 12,7мм. Диаметр фиксирующего отверстия - 5,16 мм.Область применения: сорт применяется для обработки группы материалов M(нержавеющая сталь) K(чугун) S(жаропрочные сплавы) H(стали и сплавы высокой твёрдости). Сплав - МК330 - Универсальный сплав предназначен для чистовой, получистовой и черновой обработки углеродистых, легированных сталей и их сплавов, нержавеющей стали, чугуна и жаропрочных сплавов. Покрытие РVD придает пластинам превосходную адгезионную стойкость, прочность, износостойкость и ударную вязкость. Из-за высокой адгезионной прочности, сплав МK330 обеспечивает надежность инструмента, долгий срок службы в различных условиях резания. Группа обрабатываемых материалов по ISO: P10-P30, M10-M25, K10-K25.. Cтружколом XM - Стружколом предназначен для получистовой обработки. Режимы резания: скорость резания - Vc=130-250 м/мин; подача - f=0,11-0,74 мм/об; глубина резания - ap=0,5-15,0 мм. Внимание!!! Данные режимы носят рекомендательный характер. Величина режимов зависит от многих факторов – жесткости закрепления заготовки, ее вылета, состояния и материала, радиуса и размера пластины, жёсткости и мощности станка и т.д. Ориентируясь на рекомендуемые данные, исходя из ваших условий, опытным путем подбирайте оптимальные для производительности и стойкости инструмента режимы обработки. Ознакомиться с правилами эксплуатации |
Технические характеристики
| Форма пластины | S - квадрат |
| Диаметр вписанной окружности | 12,70 мм |
| Задний (боковой) угол пластины | E - с задним углом 20° |
| Длина режущей кромки | 12,7мм |
| Диаметр фиксирующего отверстия | 5,16 мм |
| Базовая единица | шт |
| Тип | T - c отверстием, с односторонней фаской и стружколомом |
| Толщина | 3,97 мм |
| Режимы резания | скорость резания - Vc=130-250 м/мин; подача - f=0.15-0.3мм/об; глубина резания - ap=0,5-5мм. |
| Радиус при вершине | 1,2 мм |
| Обозначение режущей кромки | S - фаска со скруглением |
| Тип стружколома | XM |
| H(стали и сплавы высокой твёрдости) | Да |
| K(чугун) | Да |
| Направление резания | N - нейтральное |
| M(нержавеющая сталь) | Да |
| Материал | Твёрдый сплав |
| S(жаропрочные сплавы) | Да |
| Размер пластины | 12 |
| Сорт (Серия) | МК330 - универсальный сплав |
| Кратность наполнения коробки | 10 |
| Угол в плане | K - 75° |
| Стружколом | XM - Стружколом предназначен для получистовой обработки. |
| Геометрия | SEKT |
| Подкатегория | Фрезерные пластины |
| Категория | Корпуса фрез и пластины |
| Задний угол зачистной фаски | G - 30° |
| Класс точности | K |
| Группа обрабатываемых материалов | H(стали и сплавы высокой твёрдости), K(чугун), M(нержавеющая сталь), S(жаропрочные сплавы) |
Для покупки товара в нашем интернет-магазине выберите понравившийся товар и добавьте его в корзину. Далее перейдите в Корзину и нажмите на «Оформить заказ» или «Быстрый заказ».
Когда оформляете быстрый заказ, напишите ФИО, телефон и e-mail. Вам перезвонит менеджер и уточнит условия заказа. По результатам разговора вам придет подтверждение оформления товара на почту или через СМС. Теперь останется только ждать доставки и радоваться новой покупке.
Оформление заказа в стандартном режиме выглядит следующим образом. Заполняете полностью форму по последовательным этапам: адрес, способ доставки, оплаты, данные о себе. Советуем в комментарии к заказу написать информацию, которая поможет курьеру вас найти. Нажмите кнопку «Оформить заказ».
Оплачивайте покупки удобным способом. В интернет-магазине доступно 3 варианта оплаты:
- Наличные при самовывозе или доставке курьером. Специалист свяжется с вами в день доставки, чтобы уточнить время и заранее подготовить сдачу с любой купюры. Вы подписываете товаросопроводительные документы, вносите денежные средства, получаете товар и чек.
- Безналичный расчет при самовывозе или оформлении в интернет-магазине: карты Visa и MasterCard. Чтобы оплатить покупку, система перенаправит вас на сервер системы ASSIST. Здесь нужно ввести номер карты, срок действия и имя держателя.
- Электронные системы при онлайн-заказе: PayPal, WebMoney и Яндекс.Деньги. Для совершения покупки система перенаправит вас на страницу платежного сервиса. Здесь необходимо заполнить форму по инструкции.
Экономьте время на получении заказа. В интернет-магазине доступно 4 варианта доставки:
- Курьерская доставка работает с 9.00 до 19.00. Когда товар поступит на склад, курьерская служба свяжется для уточнения деталей. Специалист предложит выбрать удобное время доставки и уточнит адрес. Осмотрите упаковку на целостность и соответствие указанной комплектации.
- Самовывоз из магазина. Список торговых точек для выбора появится в корзине. Когда заказ поступит на склад, вам придет уведомление. Для получения заказа обратитесь к сотруднику в кассовой зоне и назовите номер.
- Постамат. Когда заказ поступит на точку, на ваш телефон или e-mail придет уникальный код. Заказ нужно оплатить в терминале постамата. Срок хранения — 3 дня.
- Почтовая доставка через почту России. Когда заказ придет в отделение, на ваш адрес придет извещение о посылке. Перед оплатой вы можете оценить состояние коробки: вес, целостность. Вскрывать коробку самостоятельно вы можете только после оплаты заказа. Один заказ может содержать не больше 10 позиций и его стоимость не должна превышать 100 000 р.
